


від 417 ₴
Показати оптові ціниМінімальна сума замовлення на сайті — 500 грн
Регульовані віброопори Vibrofix Level призначені для активної і пасивної віброізоляції різних типів інженерного та промислового обладнання:
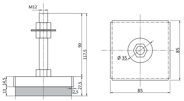
Віброопори Vibrofix Level виготовлені з міцної оцинкованої сталі товщиною 2,5 мм і оснащені сталевими шпильками діаметром М12. В якості пружного елемента застосовуються різні типи матеріалу Sylomer® (Getzner Werkstoffe, Австрія), спеціально розробленого для вирішення завдань в області віброзахисту. Віброопори не потребують технічного обслуговування протягом усього періоду експлуатації, володіють відмінними показниками по залишкової деформації пружного елемента, відрізняються стабільністю характеристик і високу стійкість до статичних і динамічних навантажень.
Переваги використання:

Таблиця навантажень:
| Назва | Діапазон навантажень, кг. | Резонансна частота, Гц. | Усадка, мм. | |||
| min | max | при мінімальному навантаженні | при максимальному навантаженні | при мінімальному навантаженні | при максимальному навантаженні | |
| Vibrofix Level 15/25 | 10 | 15 | 17,8 | 13 | 1,3 | 2,2 |
| Vibrofix Level 25/25 | 15 | 25 | 18,6 | 13,5 | 0,9 | 1,9 |
| Vibrofix Level 35/25 | 25 | 35 | 17,9 | 14 | 0,9 | 1,8 |
| Vibrofix Level 55/25 | 35 | 55 | 18,3 | 14 | 0,9 | 1,6 |
| Vibrofix Level 70/25 | 55 | 70 | 16,3 | 14,2 | 1,1 | 1,8 |
| Vibrofix Level 115/25 | 70 | 115 | 17,6 | 13,5 | 1 | 1,9 |
| Vibrofix Level 175/25 | 115 | 175 | 15,3 | 12,2 | 1,7 | 2,8 |
| Vibrofix Level 280/25 | 175 | 280 | 16 | 12,6 | 1,6 | 2,8 |
Монтаж
Віброопори Vibrofix Level дозволяють забезпечити безпідставне розміщення обладнання. Тип віброопор Vibrofix Level вибирається виходячи з маси обладнання, що віброізолюється, і робочої частоти його вібраційного впливу. Віброопори закріплюються до рами обладнання, що віброізолюється, і встановлюються за рівнем за допомогою різьбового з'єднання.
| Основні | |
|---|---|
| Виробник | Акустик Трафік |
| Призначення матеріалу | Віброізоляція |
| Область застосування | Для інженерного обладнання |
| Форма поставки матеріалу | Штука |
| Довжина | 118 мм |
| Ширина | 85 мм |
| Товщина | 2.5 мм |
| Екологічний матеріал | Так |
| Еластичність матеріалу | Так |